日本黄色免费🔞网站❌面闆流❌量計❌,小❌液體❌流量計,微小浮❌子流量計-廣州迪❌川儀器❌儀表有❌限🔞公司❌
産品展示(shi)
PRODUCT DISPLAY
産品展(zhǎn)示您現在(zai)的位置: 首(shǒu)頁 > 産品展(zhǎn)示 > 其他流(liu)量計 > 金屬(shu)浮子流量(liàng)計 >面闆流(liu)量計日本黄色🔞免费网站❌,小液(yè)體流量計(ji),微小浮子(zi)流量計

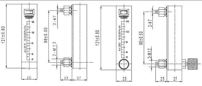
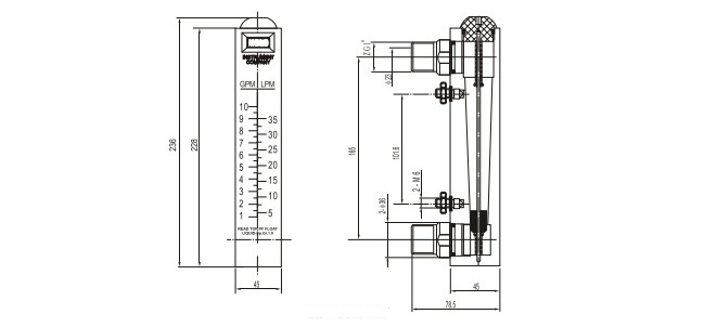
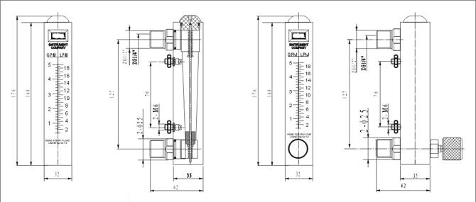
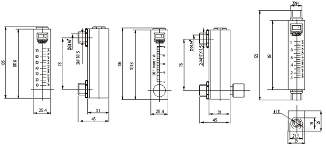
面闆流(liu)量計,小液(ye)體流量計(jì),微小浮子(zǐ)流量計

面闆式(shì)流量計也(yě)屬轉子(或(huò)稱浮子)流(liú)量計,測量(liang)管選用優(you)質透明有(you)機玻璃。主(zhǔ)要應于淨(jìng)水處理及(ji)環保工程(chéng)配套,也可(kě)用于化工(gong)、石油、輕工(gōng)、醫藥、化肥(féi)、食品、造紙(zhǐ)及科學研(yán)究等部門(mén),用㊙️來測量(liang)🏃🏻液體單相(xiang)非脈動的(de)流🛀🏻量。

面闆式流(liu)量計具有(you)透明度高(gao)、讀數直觀(guān)、不易破裂(lie)、重量🤟輕、壽(shou)命長、安裝(zhuang)連接文便(biàn)等特點。

面(miàn)闆流量計(jì),小液體流(liu)量計,微小(xiǎo)浮子流量(liàng)計

LZB-8系(xì)列面闆式(shì)流量計



面闆式(shi)流量計型(xing)号

面(mian)闆式流量(liang)計流量範(fan)圍

介(jie)質

LZB-8

面闆式(shi)流量計

LZB-0802M

不帶閥

LZB-0804M

LZB-0806M

6-60l/h

LZB-0810M

10-100l/h

LZB-0807M

10-70GPH

LZB-0802M-V

2-20l/h

帶閥

LZB-0804M-V

4-40l/h

LZB-0806M-V

6-60l/h

10-100l/h

LZB-0807M-V

10-70GPH

0.1~1GPM

 

30-300ML/LPM

空氣(qi)

帶閥(fa)

LZB-08A00M-V

0.1-1LPM

LZB-08A006M-V

0.3-3LPM

1~10SCFH/0.5~5LPM

2~20SCFH/1~10LPM

LZB-08A04M-V

4~40SCFH/2~20LPM

LZB-08A10M-V

10~100SCFH/5~50LPM

LZB-08A20M-V

20~200SCFH/10~100LPM


LZB-9系列(liè)面闆式流(liú)量計


面闆式流(liú)量計型号(hao)

介質(zhi)

LZB-9

面闆式流(liú)量計

LZB-0908M

10~80 l/h

空氣

不帶閥

LZB-0916M

20~160 l/h

LZB-0980M

80-800 l/h

LZB-0908M-V

10~80l/h

帶閥

LZB-0916M-V

20~160 l/h

LZB-0930M-V

30~300 l/h

LZB-0980M-V

80~800 l/h

LZB-10系列面(miàn)闆式流量(liang)計


LZB-10

面(mian)闆式流量(liang)計

LZB-1001M

0.1~1GPM/0.5~4LPM

水(shuǐ)

不帶(dài)閥

LZB-1002M

0.2~2GPM/1~7LPM

LZB-1005M

0.5~5GPM/2~18LPM

帶(dai)閥

LZB-1002M-V

0.2~2GPM/1~7LPM

0.5~5GPM/2~18LPM

LZB-10A04M

0.4~4SCFM/12~120LPM

空(kōng)氣

LZB-10A08M

0.8~8SCFM/24~240LPM

LZB-10A16M

1.6~16SCFM/48~480LPM

LZB-10A24M

2.4~24SCFM/72~720LPM

0.4~4SCFM/12~120LPM

帶閥

LZB-10A08M-V

0.8~8SCFM/24~240LPM

1.6~16SCFM/48~480LPM

LZB-10A24M-V

2.4~24SCFM/72~720LPM


LZB-25系列面闆(pan)式流量計(ji)


面闆(pan)式流量計(jì)型号

面闆式流(liú)量計流量(liang)範圍

備注

LZB-25

面闆(pǎn)式流量計(ji)

LZB-2510M

不帶閥(fa)

LZB-2516M

2~16 GPM/4~60LPM

LZB-2520M


LZB-2535M

5~35 GPM/12~120LPM

LZB-2540M

4~40GPM/15~150LPM

LZB-25A40M

空氣(qì)

LZB-25A60M

LZB-40系列(liè)面闆式流(liu)量計


面闆(pan)式流量計(ji)型号

面闆(pan)式流量計(ji)流量範圍(wéi)

備注(zhu)

面闆式流(liú)量計

LZB-4035M

4~35 GPM/12~120LPM

不(bú)帶閥

4~40 GPM/15~150LPM

LZB-4050M

10~50GPM/40~180LPM

LZB-4010M-V

1~10 GPM/5~35LPM

帶閥(fa)

LZB-4016M-V

2~16 GPM/4~60LPM

LZB-4020M-V

2~20 GPM/10~70LPM

留言框

  • 産(chǎn)品:

  • 您的(de)單位:

  • 您(nín)的姓名:

  • 聯系(xì)電話:

  • 常(chang)用郵箱:

  • 省份:

  • 詳細地(dì)址:

  • 補充(chōng)說明:

  • 驗證碼:

    請輸(shū)入計算結(jié)果(填寫阿(a)拉伯數字(zi)),如:三加四(si)=7
聯系(xì)方式
  • 電話(huà)

    86-020-31199948/85550363

在線(xian)客服
·
 ·